
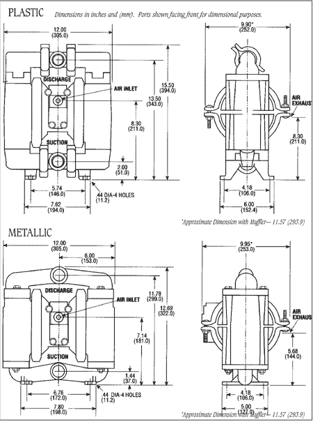
Plastic Models:
NC-10 (Polypropylene/Geolast*) 19 lbs. (8,6 kg.)
BK-10 (Polypropylene/Teflon) 19 lbs. (8,6 kg.)
RD-10 (Nylon/Teflon) 19 lbs. (8,6 kg.)
SL-10 (Acetal/Geolast) 19 lbs. (8,6 kg.)
KN-10 (PVDF/Teflon) 22 lbs. (9,9 kg.)
Metallic Models:
ST-10 (Stainless Steel) 42 lbs. (19,1 kg.)
AL-10 (Aluminum) 19 lbs. (8,6 kg.)
Optional elastomers available.
* Geolast properties are similar to that of Nitrile (Buna-N)
Specifications:
Capacity:
Adjustable............0 to 40 GPM (152 liters/min.)
Maximum Temperature:
KN-10 Model................................200°F (93°C)
Other Plastic Models......................150°F (66°C)
Metallic Models.............................200°F (93°C)
Maximum Air Pressure:
KN-10 Model..........................70 PSI (4,8 bars)
Other Models........................100 PSI (6,8 bars)
Minimum Air Pressure:
All Models...............................20 PSI (1,2 bars)
Dry Lift Capacity @ 100 PSI (6,8 bars):
Models w/Teflon Balls................10 ft. (3 meters)
Other Models.........................15 ft. (4,5 meters)
Maximum Solids:.......................1ž4 or (6,4 mm)
Air Supply:
Inlet........................................1ž4 NPT Female
Outlet......................................3ž4 NPT Female
(Air flow control valve, 1/4 NPT or 1/2 BSP Female)
Fluid Inlet/Discharge:................................1 NPT
Footnotes:
Muffler supplied with each pump
Air flow control valve supplied with each pump
Dual manifold inlet/outlet capability
Plastic models only
BSP threads available upon request