

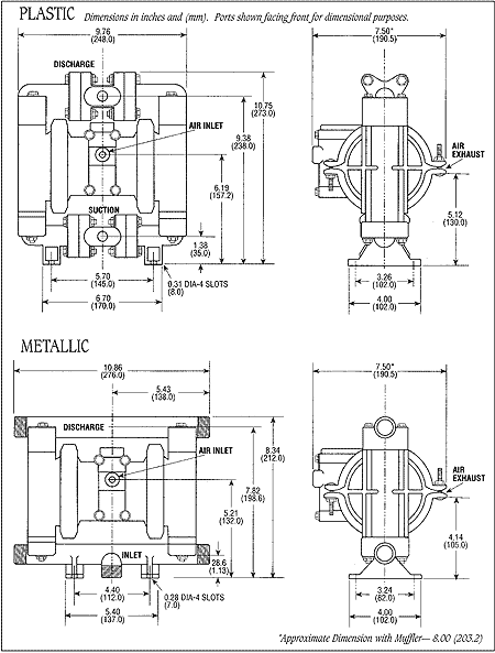
Plastic Models:
NC-5 (Polypropylene/Geolast*) 8 lbs. (3,6 kg.)
BK-5 (Polypropylene/Teflon) 8 lbs. (3,6 kg.)
RD-5 (Nylon/Teflon) 8 lbs. (3,6 kg.)
SL-5 (Acetal/Geolast) 8 lbs. (3,6 kg.)
KN-5 (PVDF/Teflon) 11 lbs. (4,9 kg.)
Metallic Models:
ST-5 (Stainless Steel) 16 lbs. (7,2 kg.)
AL-5 (Aluminum) 8.5 lbs. (3,8 kg.)
Optional elastomers and conductive nylon available.
* Geolast properties are similar to that of Nitrile (Buna-N)
Specifications:
Capacity:
Adjustable...........0 to 14 GPM (53,2 liters/min.)
Maximum Temperature:
KN-5 Model..................................200°F (93°C)
Other Models.................................150°F (66°C)
Metallic Models.............................200°F (93°C)
Maximum Air Pressure:
All Models............................100 PSI (6,8 bars)
Minimum Air Pressure:
All Models..............................20 PSI (1,2 bars)
Dry Lift Capacity @ 100 PSI (6,8 bars):
Models w/Teflon Balls...............10 ft. (3 meters)
Other Models.........................15 ft. (4,5 meters)
Maximum Solids:.......................1ž8 or (3,1 mm)
Air Supply:
Inlet........................................1ž4 NPT Female
Outlet......................................3ž8 NPT Female
(Air flow control valve, 1/4 NPT or 1/2 BSP Female)
Fluid Inlet/Discharge:
Plastic Models..........................1ž2 NPS Female
Metallic Models..1ž2 NPS Female & 3/4 NPS Male
(BSP or NPT Compatible)
Footnotes:
Muffler supplied with each pump
Air flow control valve supplied with each pump
Dual manifold inlet/outlet capability